当前位置:首页 > 称重传感器

丰控FK-LCS1S型拉压力称重传感器

品牌
丰控(FULLKON)
服务热线
13958141669
测量精度
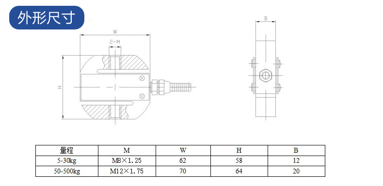
测量范围 1-30kg、50-500kg
   
产品简介
高精度S型称重传感器拉压力传感器压机电缸料斗搅拌站重量重力秤,适用于多种场景 选型和价格方面问题联系官网选型工程师 王工:13395817391
产品介绍
电流变送器
丰控仪表
丰控(FULLKON) 咨询热线:13958141669